CA-IS3212SCS
工程送样
适用于 IGBT/SiC/GaN、高 CMTI、单通道增强隔离栅极驱动器
CA-IS3212 是一系列基于电容隔离的单通道栅极驱 动器,可用于驱动 MOSFET、IGBT、GaN、SiC MOSFET等功率器件。该驱动器具有出色的动态性能和高可靠性, 同时具有高达 4A/5A 峰值的拉/灌电流能力。
CA-IS3212 通过 SiO2 电容隔离技术实现控制侧与驱 动侧的电气隔离,支持 1.5kVRMS 的隔离工作电压、12.8 kVPK 浪涌抗扰度,额定工作电压下隔离栅寿命超过 40年,同时具有良好的器件一致性以及>150kV/μs 的共模 瞬态抗扰度 (CMTI)。
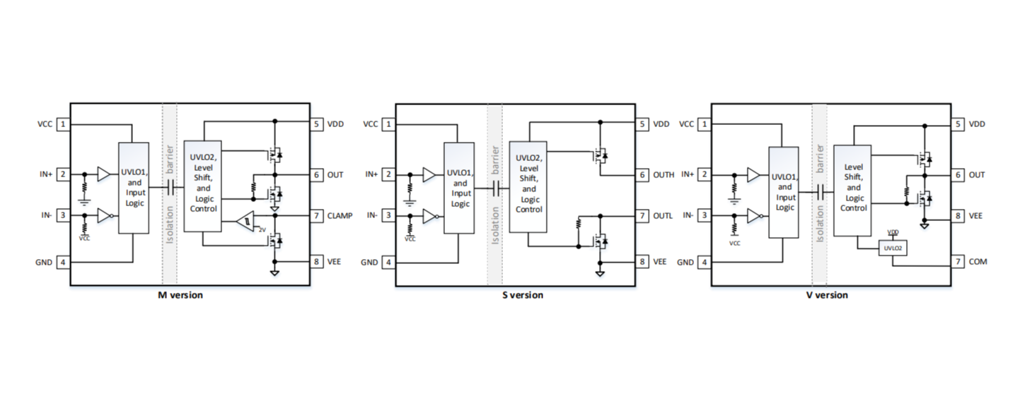
CA-IS3212 具有控制和驱动侧电源 UVLO 功能,同时 针对 SiC、GaN 和 IGBT 开关行为进行了优化,并提高了 可靠性。此外,CA-IS3212Mxx 内置 5A 峰值电流有源米 勒钳位;CA-IS3212Vxx 外置 COM 引脚,便于隔离驱动 侧正负电源供电;CA-IS3212Sxx 具有 OUTH 和 OUTL 分 离输出配置。 CA-IS3212 器件采用 8 引脚窄体 SOIC 封装或者宽体 SOIC 封装。所有器件的额定工作结温范围为 –40°C 至 +150°C。


-
特性
驱动高达 2121VPK 的 SiC MOSFET 和 IGBT
4A/5A 峰值拉/灌驱动电流能力
输入 CMOS 逻辑
宽电源范围
3.0V 至 5.5V 输入侧 VCC 电源范围
高达 33V 的输出驱动电源(VDD – VEE),具有不同的 UVLO 选项:Y 版本:4V ;A 版本:6V ;B 版本:8V ;C 版本:12V输入引脚上 40ns(典型值)脉冲抑制功能
85ns(典型值)传播延迟
15ns(最大值)脉宽失真
15ns(最大值)器件间延时匹配可选封装
SOIC8-WB 宽体封装,爬电距离和电气间隙>8mm,5700VRMS 隔离耐压等级
SOIC8 窄体封装,爬电距离和电气间隙>4mm,3750VRMS 隔离耐压等级高共模瞬态抗扰度
>150kV/μs
额定工作电压下隔离栅寿命大于40年
工作结温(TJ)范围
–40°C 至 150°C
-
应用
-
电机逆变器
-
新能源车载充电器
-
光伏逆变器
-
储能变流器
-
充电桩功率模块
-
伺服驱动器
-
变频器
-
UPS及工业电源等
-
-
器件信息
零件号 封装 封装尺寸(标称值) CA-IS3212XXS
SOIC8(S) 4.9mm x 3.9mm
CA-IS3212XXG SOIC8-WB(G) 5.85mm×7.50mm -
简化通道结构图
-
技术文档
文档名称
文件种类
更新日期
-
文件种类: 规格书
更新日期: 2025.05.12
-
文件种类: APPNOTE
更新日期: 2025.05.08
-
文件种类: EVMUG
更新日期: 2025.04.29
-
-
认证标准
认证名称
认证种类
认证编号
认证日期
-
认证种类: TÜV-EN IEC 62368
认证编号: AK 50656801 0001
认证日期: 2024.12.26
-
认证种类: TÜV-EN 61010
认证编号: AK 50656808 0001
认证日期: 2024.12.26
-
认证种类: CQC
认证编号: CQC24001452685
认证日期: 2024.12.26
-