CA-IS2062A
量产
超小型内置隔离DC-DC的隔离型CAN收发器
CA-IS2062A 是一款隔离式控制器局域网(CAN)收发器,
内部集成DC-DC转换器,省去了外部隔离电源,有效节
省系统空间和简化设计。该器件提供较高的电气隔离等
级并具有优异的性能,可以满足工业应用的需求。器件
内部的逻辑输入与输出缓冲器之间通过二氧化硅(SiO2)
绝缘栅隔离,能够承受高达 2.5kVRMS(1 分钟)的隔离
电压以及±150kV/μs 的典型共模瞬态抗扰度。绝缘栅阻
断了逻辑侧与总线侧的地环路,能够确保数据的正确传
输。
CA-IS2062A 逻辑侧的 DC-DC 转换器电源 VDDP 采用+5V
单电源供电,逻辑电源VDDL支持2.5V 到5.5V 供电范
围,VDDL 和 VDDP 分开可以使用不同电压供电,方便
和低压控制电路的信号交互。若 VDDL 使用 5V 电源供
电,可以直接和VDDP共用一个外部电源。器件的总线
侧VISOOUT由内部DC-DC转换器产生5V输出电压,为总
线侧 CAN 收发器电源 VISOIN 供电,应用中需要把
VISOOUT和 VISOIN直接短接。
CA-IS2062A 的 CAN 收发器支持高达 5Mbps 的传输速率
(CAN FD),并在总线端口(CANH/CANL)提供限流保
护、热关断保护以及高达±42V 的故障电压保护,驱动
器显性超时保护则可避免由于控制器错误或TXD输入故
障而导致的总线闭锁。此外,该器件的 CAN 接收器输
入具有±24V 的共模输入范围(CMR),远远超出 ISO
11898-2规范定义的–2V至+7V的范围,支持可靠的数据
通信。
CA-IS2062A 采用 LGA16 超紧凑型封装,能够显著节省
PCB 布板空间,支持从–40°C 至 125°C 的工业扩展温度
范围。


-
特性
符合ISO 11898-2:2016 物理层标准
支持高达1Mbps经典 CAN 和 5Mbps的CAN FD(灵活数据速率)
集成 DC-DC转换器,为总线侧提供5V隔离供电
集成保护功能支持可靠的数据通信
总线故障保护电压范围:±42V
总线共模输入电压范围:±24V
驱动器显性超时保护避免总线闭锁,允许最低传输速率为4.4kbps
热关断保护和总线端口限流保护
未上电时总线引脚为高阻态,理想无源特性
VDDP和VDDL电源欠压保护逻辑侧电源VDDL支持2.5V到5.5V供电范围
扩展工业工作温度范围:
–40°C 至 125°C
高共模瞬态抗扰度(CMTI):
±150kV/μs(典型值)
低环路延时:
165ns(典型值),255ns(最大值)
LGA16超紧凑型封装
额定工作电压下隔离栅寿命>40年
提供2.5kVRMS(1分钟)的隔离耐压等级
-
应用
-
工业控制
-
楼宇自动化
-
光储充系统
-
医疗设备
-
电信设备
-
-
器件信息
零件号 封装 封装尺寸(标称值) CA-IS2062A LGA16 5.2mm × 4.65mm -
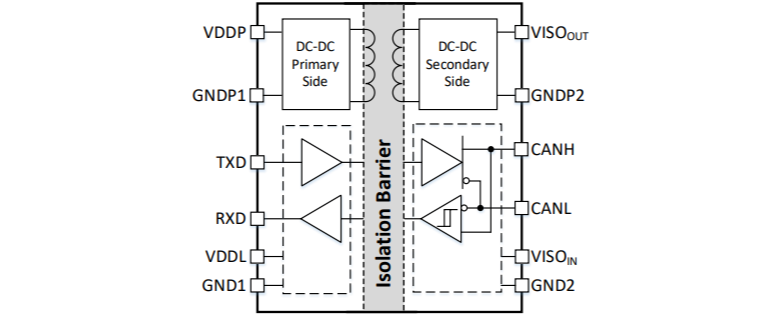
简化通道结构图
-
技术文档
文档名称
文件种类
更新日期
-
文件种类: 规格书
更新日期: 2024.08.16
-
文件种类: EVMUG
更新日期: 2024.08.15
-
文件种类: APPNOTE
更新日期: 2024.04.15
-
-
认证标准
认证名称
认证种类
认证编号
认证日期
-
认证种类: TÜV-EN IEC 62368
认证编号: AK 50656801 0001
认证日期: 2024.12.26
-
认证种类: TÜV-EN 61010
认证编号: AK 50656808 0001
认证日期: 2024.12.26
-
认证种类: 可靠性
认证编号: CA-IS2062A_V1.0
认证日期: 2024.08.15
-
认证种类: UL
认证编号: UL-US-2125790-4
认证日期: 2023.09.06
-